双金属温调式蒸汽疏水阀当前位置:首页产品中心  
双金属温调式蒸汽疏水阀



  • 产品参数

用途特点

用途:温调式疏水阀能将蒸汽管网及供热设备中的凝结水及时排出,适用于蒸汽主管,分汽缸、伴热管、散热器、夹层锅等

特点:1、双金属片的热胀冷縮原理,阻汽排水动作可靠。

          2、抗水击,排空气性能优良,动作无噪音并可任意角度安装

          3、排放温度可调整,阀内存有高温凝结水,无蒸汽泄漏。


主要零部件材料表

零部件名称:阀体、阀盖,热敏元件,阀座、阀芯,内置过滤器  材料:WCB、A105、不锈钢,特殊不锈双金属,不锈钢,不锈钢


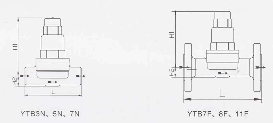
外形连接尺寸


技术参数


  • 地址:浙江省永嘉县瓯北镇西岸工业区(罗西大街15号)
  • 电话:0577-67355163 67352163
  • 传真:0577-67354017
  • http://www.yongshu.com
  • 邮箱:zcvalve@163.com
版权所有 永嘉县阀门厂   技术支持:中国泵阀网